无线充方案
近年国内企业无线充电研究投入进步很大,涌现出大批无线充电芯片企业。深圳市腾智创展科技有限公司在研究无线充方案这一方面也有着极强的技术能力,拥有多项成熟的无线充方案,欢迎有需要的您前来来咨询。
苹果手机电池保护板方案
由于电池作为整个手机的一个能源配件,其安全保护措施尤为重要。我们深圳市腾智创展科技有限公司对于电池保护板十分重视,无论是在PCB设计、IC原材料还是制造工艺上都是格外讲究。
3-10串锂电池保护板方案
这个3串锂电池保护板我们采用ST 超低功耗MCU 和大电流低内阻的功率MOS 及低功耗电源 管理等实现的电池保护电路。精度高,功耗低,带电量平衡功能,可靠性稳定,性价比高。
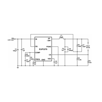
车充、快充方案
我们有很多车充快充方案,这以这款EUP3270来说,EUP3270是一个同步降压转换器,能连续驱动4A负载,性能优良,线路和负载调节。EUP3270起作用或者CC(恒流)模式,或者CV(恒流)模式,输入电压在4.5V范围内的模式到30 v。EUP3270提供可编程电缆,通过调整外部电阻分压器进行补偿。外部关机功能可由COMP引脚拉到0.14V以下。故障保护包括次生循环限流、短路保护和热保护关闭。内部软启动,最大限度地减少了涌入供应电流和输出超调在初始启动。
多口USB方案
TTL串口电平支持5V和3.3V,支持5,6,7,或8个数据位,1或2个停止位,支持奇,偶,无校验,Mark和Space校验,波特率,支持50~921600bps不等,具体参考选型表各串口内置发送接收FIFO,相互独立,互不干扰。
蓝牙解决方案
蓝牙方案按照功能分类主要有蓝牙数据解决方案(BCO4-B)、蓝牙耳机解决方案,解决方案等等。从软硬件分,有些蓝牙方案主要是针对硬件的,如CSR蓝牙解决方案。基于相同硬件实现不同的功能的解决方案可以称为软件解决方案,如实现替代串口线功能和实现蓝牙遥控器功能等,我们深圳市腾智创展科技有限公司就有专业的蓝牙方案。
光传感器控制方案
光电传感器是将光信号转换为电信号的一种器件。其工作原理基于光电效应。光电效应是指光照射在某些物质上时,物质的电子吸收光子的能量而发生了相应的电效应现象。根据光电效应现象的不同将光电效应分为三类:外光电效应、内光电效应及光生伏特效应。光电器件有光电管、光电倍增管、光敏电阻、光敏二极管、光敏三极管、光电池等。分析了光电器件的性能、特性曲线。我们深圳市腾智创展科技有限公司也有相应的解决方案。
红外测温方案
红外测温仪是一种智能化,高精度,非接触式的数字显示测温仪表,具有测温速度快,使用寿命长等优点。我们深圳市腾智创展科技有限公司具有优良的红外测温方案。
其它定制方案
如若需要一些上述没有的方案也可以咨询我们,我们深圳市腾智创展科技有限公司专注研发产品十余年,具有高水准的科学技术绝对满足您的需求,欢迎来电。








